设为首页 | 收藏我们

-- 代理维修品牌 --
爱客净化器维修网
戴森净化器维修网
虎牌电饭煲维修网
象印电饭煲维修网
维他美仕料理机维修网
霍尼韦尔净化器维修网
松下净化器维修网
大金净化器维修网
福库电饭煲维修网
飞利浦净化器维修网
夏普净化器维修网
进口电器维修资料

天龙DCD425cd机更换激光头后不读盘维修

接修一台denon天龙DCD425cd机原始故障是读盘停顿、跳曲、这类故障一般是激光头老化引起,用户自己买了一只kss-210a拆机激光头更换后不读盘了,换上原机的激光头也不读盘了,我拿到机器开机检查激光头聚集循迹动作激光束一切正常,更换全新原装KSS-210A激光头测试故障依旧,应该是用户在换激光头过程中操作不当把电路搞坏了。

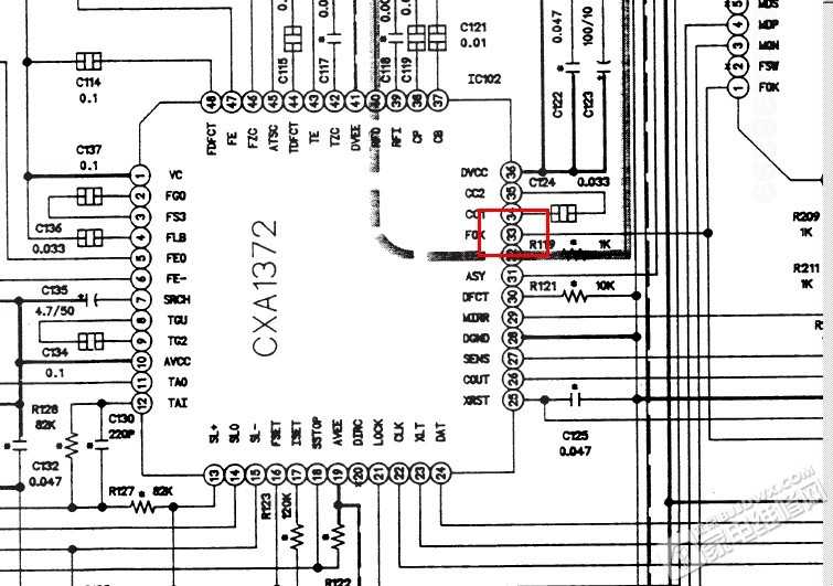
 维修过程:首先检查机内各组电压没有发现异常,检查cxa1372 RF信号处理芯片33脚没有FOK引脚没有聚焦ok电压输出,cxa1372电源供电正常,外元件没有发现异常,代换cxa1372后放入光盘测试可以读出目录了,但是读盘较慢而且有噪音,检查RF波形发现波形混乱眼孔模糊,看了一下伺服板的聚集增益电位器已经被人调整过了,重新调整聚集增益把眼孔调整到最佳状态后,测试多张光盘读盘秒杀,播放流畅,连续烤机24小时以上没有发现异常,维修完成交付客户。提醒广大发烧友如果您自己更换激光头时一定要做好防静电处理,以免故障扩大。

信佳进口电器维修网 © 2016 版权所有 京ICP备09027167号
技术支持:信达网